Cet exercice simple sur les diodes dans un circuit électrique avec correction, plus posé à l’examen, pour bien comprendre cet exercice, il faut réviser la leçon des diodes et analyser les circuits semi-conducteurs .
corrigé exercice diode
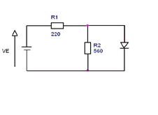
Exercice sur les diodes
On suppose que la tension seuil de la diode est Vd=0,6 V
( diode réel) et sa résistance dynamique interne est nulle.
La résistance R1 = 320 Ω et la résistance R2 = 460 Ω. voir le circuit en haut
On prend VE = 6 V (la tension de générateur),
- Calculer ID qui circule dans la diode, et les tensions VR1 et VR2 aux bornes des résistances R1 et R2
La correction analyse des circuits à semi conducteurs
Calculons résistance de thévenin RTH :
RTH est la résistance équivalente de thévenin vue entre les bornes A et B lorsque E
est éteint (on court-circuite le générateur E). (Réviser
bien les cours des résistances équivalentes)
RTH est R1 en parallèle avec R2. donc RTH = R1.R2/(R1+R2) =189 Ω
Calcul de ETH générateur de thevenin
Eth est la tension entre A et B à vide, on débranche la charge (réviser bien ce théorème)
Par diviseur de tension (plus utilisé dans le circuit électrique) on peut avoir
VÆB = (R1+R2) Ve =(320+460) 6
VAB = 4,3 V
et enfin on rebranche la diode entre A et B , on obtient .
La diode D est passante car ETH = 4,3 V > 0,7 V
Le courant ID dans la
diode est donc I = ETH / RTH. = 4,3/ 189 = 0,023 A finalement I = 23 mA
La tension aux bornes de résistance R1 VR1 =E – VD = 4,3 – 0,7 =3,6 V
La tension aux bornes de R2 est la même tension aux bornes
(branchement parallèle) de la diode donc VR = 0,7 V
Nous avons étudié un exercice sur les diodes, et on calcule le courant qui circule dans la diode, on applique la méthode de Thévenin .





Commentaires
Enregistrer un commentaire